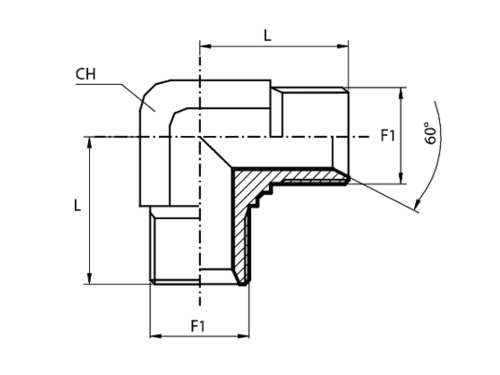
LMG
Тип: адаптер угловой
Резьба F1: Дюймовая (BSPP)
Уплотнение: внутренний конус 60°
Резьба F2: Дюймовая (BSPP)
Уплотнение: внутренний конус 60°
|
Код товара |
F1 |
H mm |
L1 mm |
Давление |
|---|---|---|---|---|
| LMG02 | 1/8 | 14 | 22.00 |
350 bar 5075 psi |
| LMG04 | 1/4 | 14 | 27.00 |
350 bar 5075 psi |
| LMG06 | 3/8 | 19 | 29.00 |
350 bar 5075 psi |
| LMG08 | 1/2 | 22 | 36.50 |
315 bar 4568 psi |
| LMG10 | 5/8 | 27 | 36.50 |
315 bar 4568 psi |
| LMG12 | 3/4 | 27 | 42.00 |
250 bar 3625 psi |
| LMG16 | 1 | 33 | 50.00 |
200 bar 2900 psi |
| LMG20 | 1.1/4 | 41 | 56.00 |
160 bar 2320 psi |

