ED кольцо DIN 3869
Применение: профильные кольца ED DIN 3869 используются в качестве аксиально-статических мягких уплотнений в сочетании с резьбовыми элементами. Общие области применения включают строительную технику, гидравлические прессы, литьевые машины, фитинги, гидравлические клапаны и резьбовые трубные соединения в общей промышленности.
| Материал | Цвет | Диапазон температур |
|---|---|---|
| NBR (Buna-N, нитрил) | Черный | -30 до 100ºC |
| Витон (FKM) | Зеленый | -20 до 200ºC |
| EPDM | Фиолетовый | -45 до 150ºC |
| Номинальный размер |
Уплотняемая резьба |
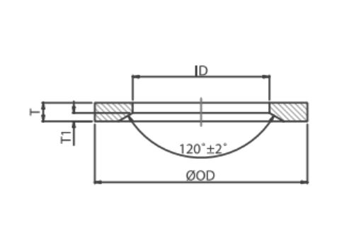
Диаметр ID mm |
Диаметр OD mm |
|---|---|---|---|
| 8 | M8 | 6.5 | 9.9 |
| 14 | M14, G1/4 | 11.6 | 16.5 |
| 17 | G3/8 | 14.7 | 18.9 |
| 22 | M22 | 19.6 | 24.3 |
| 33 | G1 | 29.7 | 35.7 |
| 42 | M42, G1.1/4 | 38.8 | 45.8 |
| 48 | M48, G1.1/2 | 44.7 | 50.7 |

