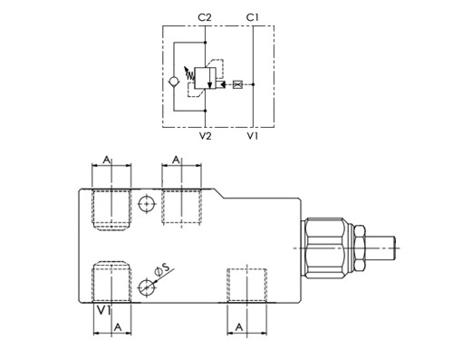
Клапан контрбаланса (тормозной клапан) односторонний VBCL
Применение: обеспечение плавности работы гидродвигателей (гидроцилиндра или гидромотора), с функцией гидрозамка. Уравновешивающий клапан помогает избавиться от рывков и колебаний при действии попутных нагрузок, вектор движения которых совпадает с направлением движения гидроцилиндра или гидромотора
| Код товара |
Резьба A |
Пропускная способность л/мин |
Максимальное давление bar |
|---|---|---|---|
| VBCL140 | 1/4" | 30 | 350 |
| VBCL380 | 3/8" | 40 | 350 |
| VBCL120 | 1/2" | 60 | 350 |
| VBCL340 | 3/4" | 120 | 350 |


